제품소개

고객을 위해 흘리는 땀을 두려워하지 않는 정직한 기업이 될 것을 약속드립니다.

상세보기

UPF80S12WQ2

UPF80S12WQ2

KS인증 80W 12V 3년보증
  • 제조사 (주)유니온전자통신
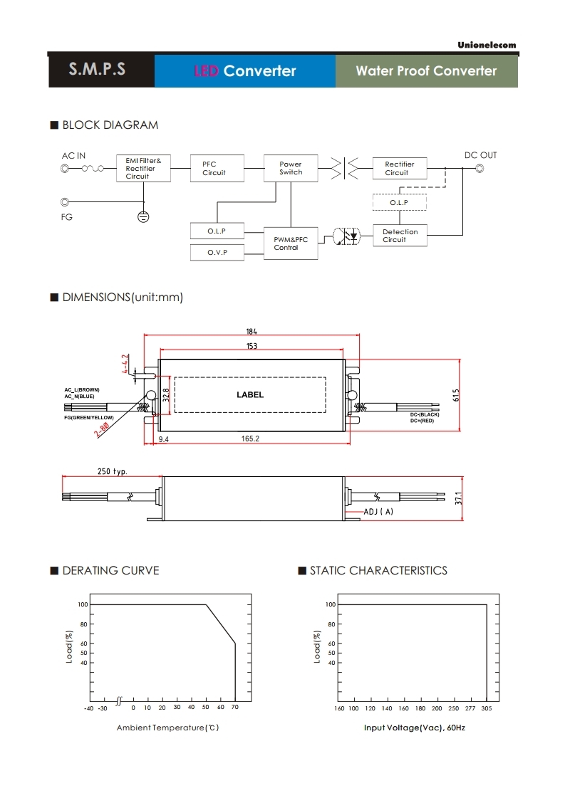
  • 규격mm 184x61.5x37.1/0.64Kg
  • 방수 IP68
  • 원산지 대한민국
  • 입력전원 AC220V
  • A/S 보증 3년





목록보기