제품소개

고객을 위해 흘리는 땀을 두려워하지 않는 정직한 기업이 될 것을 약속드립니다.

상세보기

UPF200S12/24WQ

UPF200S12/24WQ

KS인증 200W 12V/24V 3년보증
  • 제조사 (주)유니온전자통신
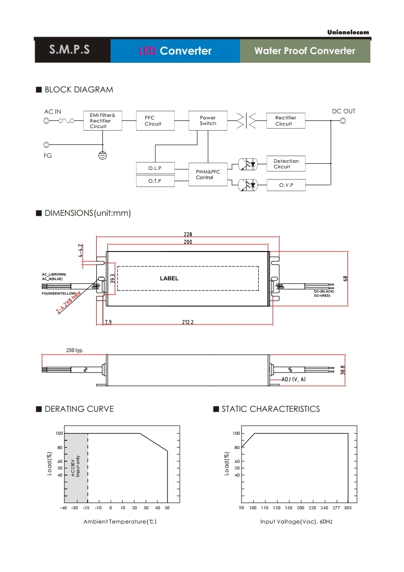
  • 규격mm 228x68x38.8/1.05Kg
  • 방수 IP68
  • 원산지 대한민국
  • 입력전원 AC220V
  • A/S 보증 3년





목록보기